關于興千田
興千田致力于客戶終身價值實現,針對企業不同成長階段管理需求,從研發、應用、人才、服務等多重維度提供一站式服務支撐。
產品介紹:![]()
這款產品叫加強鋁管,抗彎強度約為基礎鋁管的2倍。端面可加工M1O的螺紋孔,安裝腳杯等配件,也可用內外牙螺絲轉換成M6螺紋,端面安裝凹凸導輪等配件。
產品特點:![]()
一、鋁合金材質;
二、永久防銹防腐;
三、外觀大方;
四、組裝方便;
五、應用性強。
產品參數:![]()
| 產品名稱 | 加強精益管 |
| 型號 | GLT28-T-3004A |
| 材料 | 6005-T6 |
| 厚度 | 1.7mm |
| 表面處理 | 陽極氧化 |
| 長度 | 4米 |
| 單位重量 | 681g/m |
| 包裝數量 | 13根 |
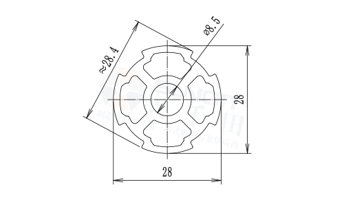
尺寸圖展示:![]()

加強精益管實圖

加強精益管尺寸圖
聯系我們:
![]()
興千田,精益管生產廠家,專注于精益管,線棒,精益生產線,精益管工作臺,線棒貨架,周轉車,周轉箱,LCIA低成本自動化13年,能夠滿足市場的需求,專業的工程設計團隊,興千田是您精益生產設備供應商的首選。
我們的產品除了單件器件外所有的成品都可以為您專業量身定做,給予你最適合的柔性自動化流水線價格,為您設計符合貴公司車間需求的現代一流精益工廠。如果 您對興千田公司的柔性生產線報價想有更詳細了解可以在線咨詢我們的客服或撥打全國免費咨詢電話:400-8055-828,我們歡迎您的咨詢!
訂購:加強精益管
精益是東方的思維方式,講究從宏觀的角度出發,整體實施來解決問題,是一種類比法。
詳細了解
MES的定位,是處于計劃層和現場自動化系統之間的執行層,主要負責車間生產管理和調度執行。
詳細了解
生產管理的專家團隊直接深入到工廠,調查分析,為提高生產效率提出合理的建議。
詳細了解
從精益的視角對企業的人力資源實現精細化和準確化管理,最大限度地減少人力資源浪費!
詳細了解